مبدأ العمل: عندما يمر التيار عبر المحول الكهرومغناطيسي، يقوم محول التيار بإرسال إشارة التيار إلى لوحة الدائرة، والتي تحكم ما إذا كان تيار خطأ. إذا كان الأمر كذلك، يتم تعطيل الآلية بشكل مباشر.
ولضمان سلامة النقل، يتم تصدير منتجاتنا الكهربائية في صناديق خشبية معززة. وتخضع الصناديق للمعالجة الحرارية وتحمل علامة ISPM-15، مما يتيح التخليص الجمركي السريع. يسهل تصميم القاعدة المرتفعة تشغيل الرافعة الشوكية، بينما يضمن التثبيت الداخلي الممتص للصدمات وصول المنتجات سليمة. جميع الصناديق الخارجية تحمل علامات واضحة وتتوافق مع المعايير اللوجستية الدولية.
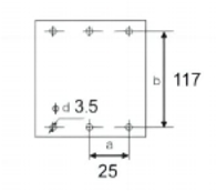
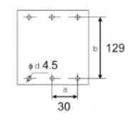
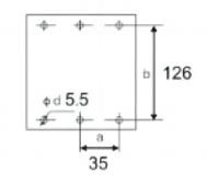
| نوع | القطب | الأبعاد الخارجية | أبعاد التركيب (مم) | أبعاد توصيل اللوحة الخلفية (مم) | |||||||||||
| ل | ل1 | و | ح | ح1 | ح2 | أ | ب | ∅د | أ1 | ب1 | د1 | ح3 | ح4 | ||
| ام تي ام 1-63 لتر | 3 | 135 | 21 | 76 | 89.5 | 72 | 18 | 25 | 117 | 3.5 | 25 | 117 | 18 | 52 | 75 |
| 4 | 103 | ||||||||||||||
| ام تي ام 1-63 ام | 3 | 76 | 99 | 81 | 28 | ||||||||||
| 4 | 103 | ||||||||||||||
| ام تي ام 1-125 لتر | 2 | 150 | 51 | 65 | 87 | 68 | 24 | ... | 129 | 4.5 | 30 | 132 | 22 | 65 | 100 |
| 3 | 92 | 30 | |||||||||||||
| 4 | 121 | ... | |||||||||||||
| ام تي ام 1-125م،H | 2 | 65 | 103.5 | 85 | 23 | ... | |||||||||
| 3 | 92 | 30 | |||||||||||||
| 4 | 121 | ... | |||||||||||||
| ام تي ام 1-250 لتر | 2 | 164 | 64 | 75 | 108 | 87 | 24 | ... | 126 | 5.5 | 35 | 144 | 24 | 70 | 110 |
| 3 | 107 | 35 | |||||||||||||
| 4 | 142 | ... | |||||||||||||
| ام تي ام 1-250م،H | 2 | 75 | 124.5 | 104 | 24 | ... | |||||||||
| 3 | 107 | 35 | |||||||||||||
| 4 | 142 | ... | |||||||||||||
| مTM1-400M،H | 3 | 257 | 105 | 150 | 153 | 106 | 38 | 44 | 194 | 7 | 48 | 224 | 32 | 48.5 | 108.5 |
| 4 | 197 | لeft 44 Right 50 | |||||||||||||
| ام تي ام 1-630M،H | 3 | 270 | 105 | 182 | 157 | 111 | 43 | 58 | 200 | 7 | 58 | 234 | 40 | 70 | 120 |
| 4 | 240 | ||||||||||||||
| MTM1-800M،H | 3 | 280 | 105 | 210 | 158 | 116 | 42 | 70 | 243 | 7 | 70 | 243 | 48 | 75 | 125 |
| 4 | 280 | ||||||||||||||
| نوع | MTM1-63 | MTM1-125 | MTM1-250 | |||||
| lnmFrameInm(أ) | 63 | 125 | 250 | |||||
| التيار المقدر (أ) | 10、16、20、25、32、40、50、63 | 16、20、25、32、40、50、63、80、100、125 | 100、125、140、160、180、200、225、250 | |||||
| الجهد المقدر Ue(V) | ايه سي 400 | ايه سي 400 | ايه سي 400 / AC690 | ايه سي 400 | ايه سي 400 | ايه سي 400 / AC690 | ايه سي 400 | |
| جهد العزل المقدرUi(V) | ايه سي 800 | ايه سي 800 | ايه سي 800 | |||||
| عدد الأقطاب | 3、4 | 3、4 | 2、3、4 | 2、3、4 | 2、3、4 | 2、3、4 | 2、3、4 | 2、3、4 |
| إيكوكا) الحد المقدر للدائرة القصيرة بreaking capacity level | ل | M | س | ل | M | س | ل | M |
| إيكوكا) الحد المقدر للدائرة القصيرة بreaking capacity | 12 | 35 | 12 | 35 | 50 | 12 | 35 | 50 |
| Ics(كيلو أمبير) القدرة المقدرة على قطع الدائرة القصيرة | 6 | 22 | 6 | 22 | 35 | 6 | 22 | 35 |
| الحد الأقصى للدائرة القصيرة بreaking capacity | 4500 | 3000 | 2500 | |||||
| عمر العملية (دورة) | 8500 | 7000 | 6500 | |||||
| مسافة القوس (مم) | 0、< 50 | 0、< 50 | < 50 | |||||
| الأبعاد | | | | |||||
| حجم التثبيت | | | | |||||

English




































