- تركيب واختبار قاطع الدائرة الهوائية
- تركيب قاطع الدائرة الكهربائية
- ACB
- خزانة مفاتيح قاطع الدائرة المزدوجة
- مبدأ العمل
- التلامس المتحرك والثابت
- آلية ACB
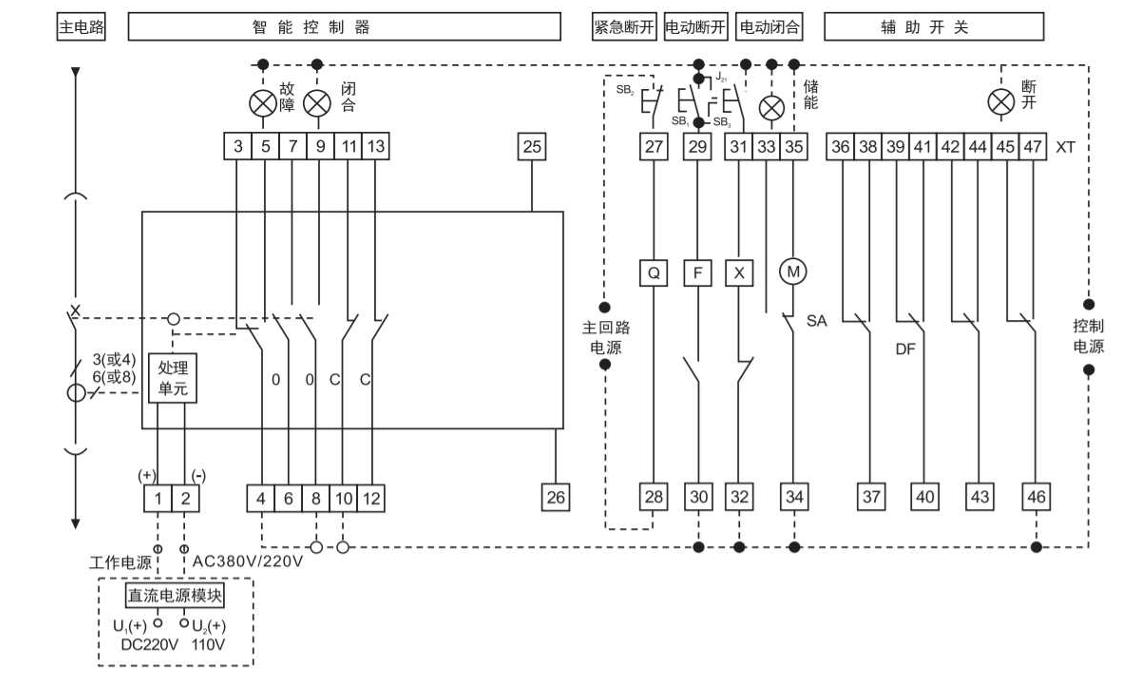
عندما يكون المنتج في حالة مغلقة ويتم تشغيله، إذا كان هناك حمل زائد أو ماس كهربائي أو انخفاض الجهد أو فقدان الطور في الدائرة، فسوف يكتشف محول التيار في ACB الإشارة الحالية، والتي سيتم إرسالها إلى وحدة التحكم. ثم يقوم المتحكم بإرسال أمر إلى الآلية للتعثر، مما يتسبب في فصل جهات الاتصال الديناميكية والثابتة وفصلها، وسيتم فتح المنتج، مما يحقق وظيفة حماية الحمل الخلفي.
يحقق مصدر الطاقة المزدوج التشابك الميكانيكي والكهربائي، والتبديل بين خطي إمداد الطاقة. عندما تكون طاقة التيار الكهربائي متاحة، يتم إغلاق قاطع دائرة طاقة التيار الكهربائي، ولكن لا يمكن إغلاق توليد الطاقة. عند انقطاع التيار الكهربائي، يقوم المولد بتوليد الطاقة، ويتم إغلاق قاطع الدائرة لخط توليد الطاقة، ولكن لا يمكن إغلاق التيار الكهربائي. يمكن إغلاق مصدر واحد فقط من مصدري الطاقة.
| |
-
إغلاق/فتح قاطع الدائرة الكهربائية - تخزين الطاقة - الحمل الزائد - قصر الدائرة - اختبار انخفاض الجهد
-
إغلاق/فتح قاطع الدائرة الكهربائية - تخزين الطاقة - الحمل الزائد - قصر الدائرة - اختبار انخفاض الجهد
-
إغلاق/فتح قاطع الدائرة الكهربائية - تخزين الطاقة - الحمل الزائد - قصر الدائرة - اختبار انخفاض الجهد
-
إغلاق/فتح قاطع الدائرة الكهربائية - تخزين الطاقة - الحمل الزائد - قصر الدائرة - اختبار انخفاض الجهد
-
إغلاق/فتح قاطع الدائرة الكهربائية - تخزين الطاقة - الحمل الزائد - قصر الدائرة - اختبار انخفاض الجهد
ولضمان سلامة النقل، يتم تصدير منتجاتنا الكهربائية في صناديق خشبية معززة. وتخضع الصناديق للمعالجة الحرارية وتحمل علامة ISPM-15، مما يتيح التخليص الجمركي السريع. يسهل تصميم القاعدة المرتفعة تشغيل الرافعة الشوكية، بينما يضمن التثبيت الداخلي الممتص للصدمات وصول المنتجات سليمة. جميع الصناديق الخارجية تحمل علامات واضحة وتتوافق مع المعايير اللوجستية الدولية.
- مفاتيح الجهد العالي والمنخفض، قواطع التيار المتردد، قواطع التيار المصغر، قواطع التيار المتردد
- تستخدم محطة التحويل من النوع الصندوقي قواطع الدائرة الكهربائية ذات الجهد المنخفض (VCB) وقواطع الدائرة الكهربائية المصغرة (MCCB) وقواطع الدائرة الكهربائية الهوائية (ACB) الخاصة بنا.
- تم بنجاح تزويد خزائن الجهد العالي والمنخفض بالطاقة
-
خزانة متصلة بشبكة الطاقة الشمسية الكهروضوئية باستخدام قاطع الدائرة الهوائية (ACB) وقاطع الدائرة المصبوب (MCCB).
-
تم نقل الطاقة بنجاح
-
محطة فرعية من نوع الصندوق، قاطع دائرة التيار المتردد، قاطع دائرة الجهد، قاطع دائرة مصغر
-
Box-typesubstation ACB VCB MCCB
-
محطة فرعية من نوع الصندوق، قاطع دائرة التيار المتردد، قاطع دائرة الجهد، قاطع دائرة مصغر
-
لقطات سيناريو التطبيق
-
تم نقل الطاقة بنجاح
-
تم نقل الطاقة بنجاح
-
خزانة متصلة بشبكة الطاقة الشمسية الكهروضوئية باستخدام قاطع الدائرة الهوائية (ACB) وقاطع الدائرة المصبوب (MCCB).
-
خزانة متصلة بشبكة الطاقة الشمسية الكهروضوئية باستخدام قاطع الدائرة الهوائية (ACB) وقاطع الدائرة المصبوب (MCCB).
-
محطة فرعية من نوع الصندوق، قاطع دائرة التيار المتردد، قاطع دائرة الجهد، قاطع دائرة مصغر
| نموذج | MTW1-2000 | MTW1-3200 | MTW1-4000 | MTW1-6300 | MTW1-7500 | ||
| شل الحالي | إنم(أ) | 2000 | 3200 | 4000 | 6300 | 7500 | |
| عدد الأقطاب | - | 3P/4P | 3P/4P | 3P/4P | 3P/4P | 3P/4P | |
| الجهد العامل المقدر | يو (ف) | ايه سي 400/690 | ايه سي 400/690 | ايه سي 400/690 | ايه سي 400/690 | ايه سي 400/690 | |
| المعدل الحالي | في(أ) | 4.00601E 24 | 2.00025E 15 | 3.20036E 11 | 4.0005E 11 | 7500 | |
| جهد العزل المقدر | Ui(v) | 800 | 1000 | 1000 | 1000 | 1000 | |
| تحمل الجهد النبضي المقدر | أويمب(كيلو فولت) | 8 | 12 | 12 | 12 | 12 | |
| نموذج وحدة التحكم | - | ل، م، ح | ل، م، ح | ل، م، ح | ل، م، ح | ل، م، ح | |
| تردد التشغيل | (هرتز) | 50 | 50 | 50 | 50 | 50 | |
| الحد المقدر لقدرة قطع الدائرة القصيرة | ايكو كا (o-co) | 400 فولت | 65 | 100 | 100 | 120 | 120 |
| 690 فولت | 50 | 65 | 75 | 85 | 85 | ||
| القدرة المقدرة على قطع الدائرة القصيرة أثناء التشغيل | Ics kA (o-co-co) | 400 فولت | 40 | 65 | 80 | 100 | 100 |
| 690 فولت | 40 | 50 | 65 | 75 | 75 | ||
| تم تقييمه بأنه يتحمل التيار لفترة قصيرة | إيكوك أ(1س) تأخير زمني 0.4 ثانية o-co | 50 | 65 | 65 | 85 | 85 | |
| فقدان الطاقة | (في) و | ثابت | 40،60،90،140،170 | 170،260،320،420 | 430،440،450 | 1.22513E 11 | 1.22513E 11 |
| درج | 80،130،205،310 | 400،510،650،760 | 780،790،800 | ||||
| معيار | - | GB-TGB14048.2/IEC60947-2 | GB-TGB14048.2/IEC60947-2 | GB-TGB14048.2/IEC60947-2 | GB-TGB14048.2/IEC60947-2 | GB-TGB14048.2/IEC60947-2 | |
| طريقة التثبيت | - | ثابت Type (3/4) | ثابت Type (3/4) | ثابت Type (3/4) | ثابت Type (3/4) | ثابت Type (3/4) | |
| درج Type (3/4) | درج Type (3/4) | درج Type (3/4) | درج Type (3/4) | درج Type (3/4) |

English
Français
Español
عربى




























