عندما يتم تشغيل قواطع التيار المتردد، سيولد الملف الداخلي مجالًا مغناطيسيًا، مما يتسبب في جذب قلب الحديد المتحرك ونواة الحديد الثابتة معًا، مما يدفع نظام الاتصال إلى الاتصال بجهة الاتصال الثابتة وإجراء الدائرة. بعد أن يفقد الملف الطاقة، تختفي قوة الشفط، وسيقوم زنبرك إعادة الضبط بدفع القلب الحديدي المتحرك لأعلى، مما يتسبب في فصل نقاط الاتصال وانقطاع الدائرة.
| تستخدم للمقاولين د09 ~ 95 | ||||||||
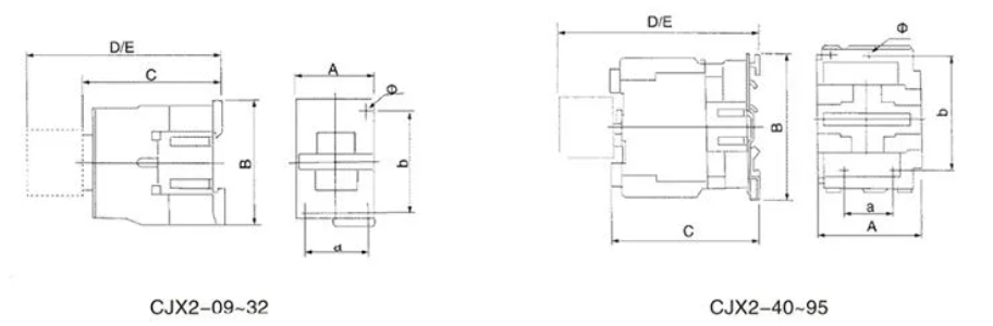
| نموذج | أ | ب | ج | D | ه | أ | ب | ف |
| D09~12 | 47 | 76 | 82 | 11 | 133 | 34/35 | 50/60 | 4.5 |
| د18 | 47 | 76 | 87 | 118 | 138 | 34/35 | 50/60 | 4.5 |
| د25 | 57 | 86 | 95 | 126 | 146 | 40 | 48 | 4.5 |
| د32 | 57 | 86 | 100 | 131 | 151 | 40 | 48 | 4.5 |
| D40~65 | 77 | 129 | 116 | 145 | 165 | 40 | 100/110 | 6.5 |
| D80 ~ 95 | 87 | 129 | 127 | 175 | 195 | 40 | 100/110 | 6.5 |
| نوع النموذج | 9 | 12 | 18 | 25 | 32 | 40 | 50 | 65 | 80 | 95 | |
| تصنيف العمل الحالي (أ) | أC3 | 9 | 12 | 18 | 25 | 32 | 40 | 50 | 65 | 80 | 95 |
| أC4 | 3.5 | 5 | 7.7 | 8.5 | 12 | 18.5 | 24 | 28 | 37 | 44 | |
| محرك ثلاثي الطور أC-3 level (kw) | 220/230 فولت | 2.2 | 3 | 4 | 5.5 | 7.5 | 11 | 15 | 18.5 | 22 | 25 |
| 380/400 فولت | 4 | 5.5 | 7.5 | 11 | 15 | 18.5 | 22 | 30 | 37 | 45 | |
| 415 فولت | 4 | 5.5 | 9 | 11 | 15 | 22 | 25 | 37 | - | - | |
| 500 فولت | 5.5 | 7.5 | 10 | 15 | 18.5 | 22 | 30 | 37 | - | - | |
| 660/690 فولت | 5.5 | 7.5 | 10 | 15 | 18.5 | 30 | 33 | 37 | 45 | 45 | |
| تصنيف تيار التسخين إيث (أ) | 20 | 20 | 30 | 32 | 40 | 50 | 60 | 80 | 125 | 125 | |
| هlectrical lifespan(10000 cycles) | أC3 | 100 | 100 | 100 | 100 | 80 | 80 | 60 | 60 | 60 | 60 |
| أC4 | 20 | 20 | 20 | 20 | 20 | 15 | 15 | 15 | 10 | 10 | |
| العمر الميكانيكي (10000 دورة) | 1000 | 1000 | 1000 | 1000 | 800 | 800 | 800 | 800 | 600 | 600 | |
| جontact model | رقم 3P | 3P نك لا | |||||||||
| نموذج | التصنيف الحالي (أ) | جهة الاتصال الرئيسية | أuxiliary contact | طاقة الحمل أحادية الطور (كيلوواط) | طاقة الحمل ثلاثية الطور (كيلوواط) |
| جJX2-0910 | 9 أ | 3NO | 1NO | 1.8 كيلو واط | 3.5 كيلو واط |
| جJX2-0901 | 9 أ | 3NO | 1NC | 1.8 كيلو واط | 3.5 كيلو واط |
| جJX2-1210 | 12 أ | 3NO | 1NO | 2.5 كيلو واط | 5 كيلو واط |
| جJX2-1201 | 12 أ | 3NO | 1NC | 2.5 كيلو واط | 5 كيلو واط |
| جJX2-1810 | 18 أ | 3NO | 1NO | 3.5 كيلو واط | 7.5 كيلو واط |
| جJX2-1801 | 18 أ | 3NO | 1NC | 3.5 كيلو واط | 7.5 كيلو واط |
| جJX2-2510 | 25 أ | 3NO | 1NO | 5 كيلو واط | 8.5 كيلو واط |
| جJX2-2501 | 25 أ | 3NO | 1NC | 5 كيلو واط | 8.5 كيلو واط |
| جJX2-3210 | 32 أ | 3NO | 1NO | 6 كيلو واط | 12 كيلو واط |
| جJX2-3201 | 32 أ | 3NO | 1NC | 6 كيلو واط | 12 كيلو واط |
| جJX2-4011 | 40 أ | 3NO | 1NO 1NC | 8 كيلو واط | 18.5 كيلو واط |
| جJX2-5011 | 50 أ | 3NO | 1NO 1NC | 10 كيلو واط | 24 كيلو واط |
| جJX2-6511 | 65 أ | 3NO | 1NO 1NC | 12.5 كيلو واط | 28 كيلو واط |
| جJX2-8011 | 80 أ | 3NO | 1NO 1NC | 15.5 كيلو واط | 37 كيلو واط |
| جJX2-9511 | 95 أ | 3NO | 1NO 1NC | 18.5 كيلو واط | 44 كيلو وات |

English
Français
Español
عربى
































